形 式 説 明
製 品 仕 様
結   線
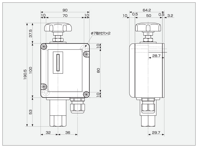
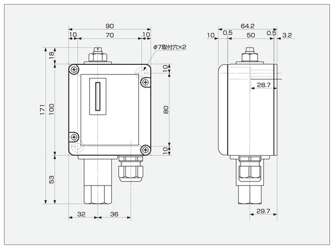
外形寸法図
SP-R型 SP-RV型
SP-RH型 SP-RVH型
*SR-R-700は、接続口がG1/2となります