形 式 説 明
製 品 仕 様
結   線
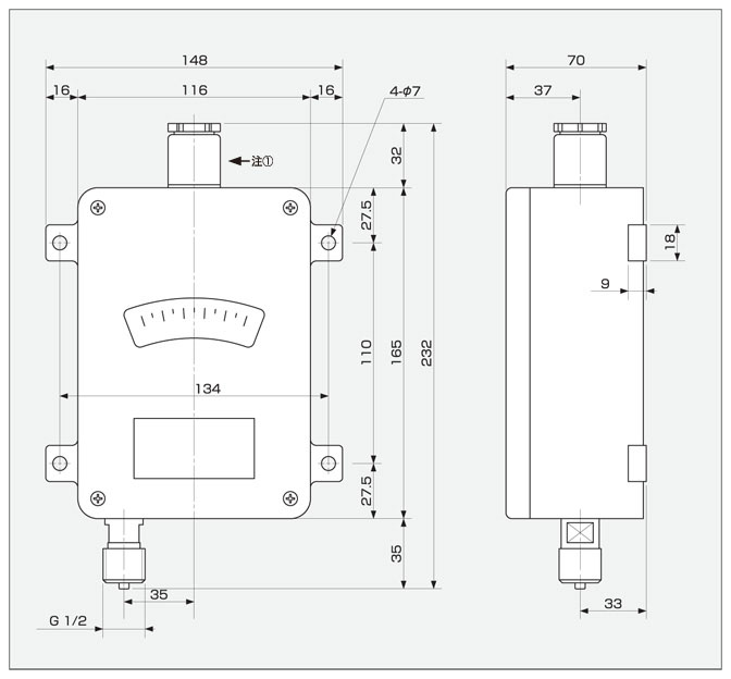
外形寸法図
BP-F8-100~BP-F8-500
BP-F8-1~BP-F8-50 BV-F8-760
BP-F5-100~BP-F5-500
BP-F5-1~BP-F5-50