形 式 説 明
製 品 仕 様
結   線
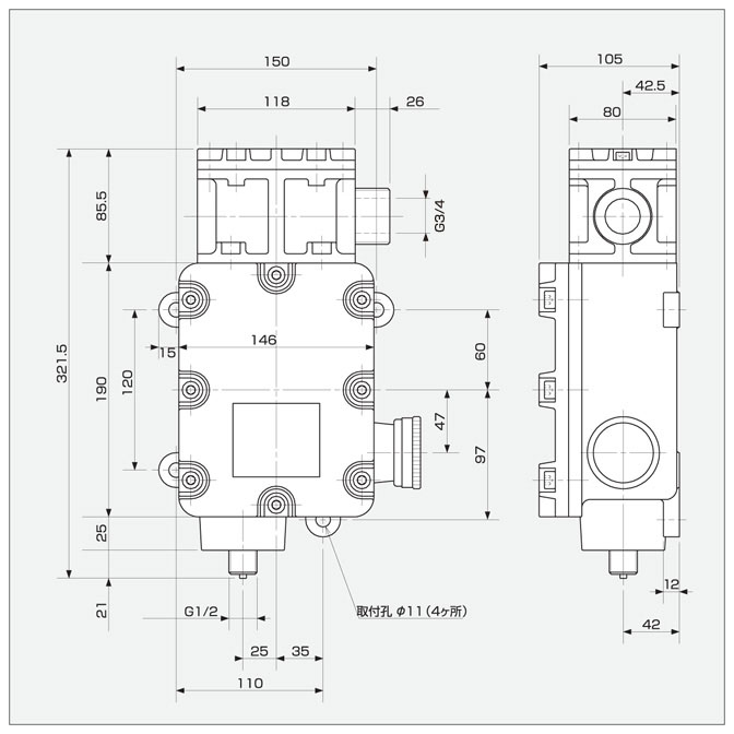
外形寸法図
BP-E500 BV-E500